
Chapter 2 – SocketModem (MT5600SMI & MT5656SMI)
Multi-Tech Systems, Inc. Universal Socket Hardware Guide for Developers (S000342C) 60
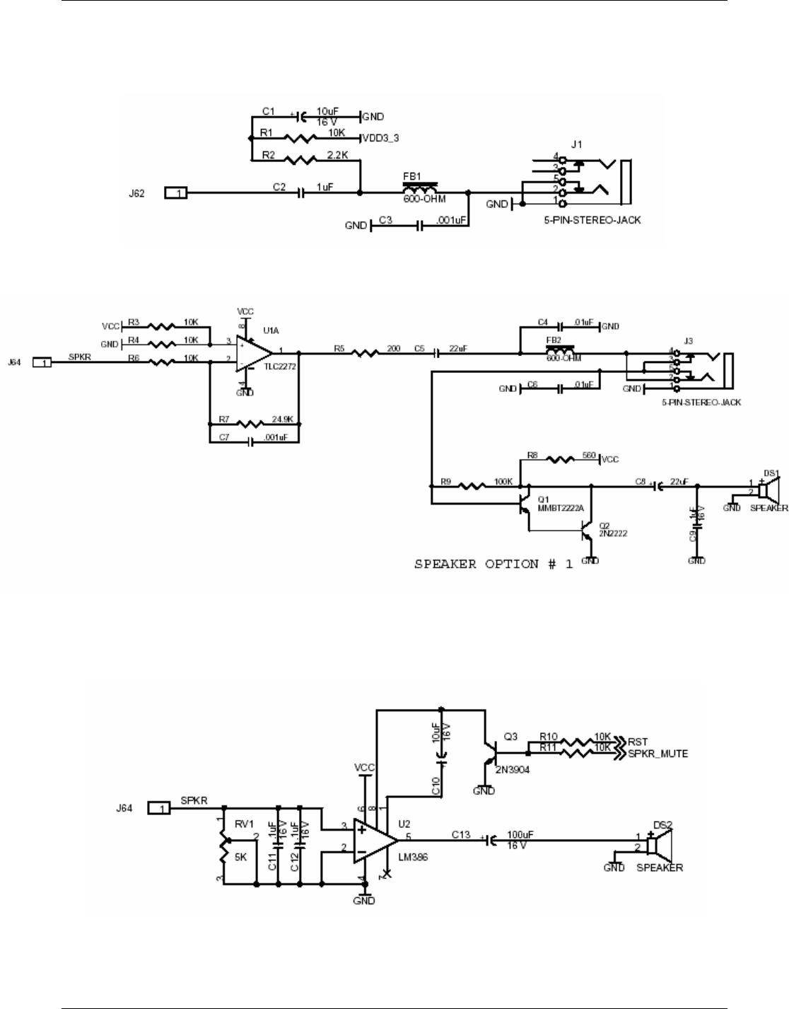
Microphone and Speaker
Note: Applies to the MT5656SMI only.
Microphone Input Option
Speaker Output Option 1
Speaker Output Option 2
Komentarze do niniejszej Instrukcji