Many
Manuals
search
Kategorie
Marki
Strona główna
Multitech
Serwery
MT800SWM
Dokumentacja
Multitech MT800SWM Dokumentacja Strona 33
Pobierz
Podziel się
Dzielenie się
Dodaj do moich podręczników
Drukuj
Strona
/
55
Spis treści
BOOKMARKI
Oceniono
.
/ 5. Na podstawie
oceny klientów
1
2
3
4
5
6
7
8
9
10
11
12
13
14
15
16
17
18
19
20
21
22
23
24
25
26
27
28
29
30
31
32
33
34
35
36
37
38
39
40
41
42
43
44
45
46
47
48
49
50
51
52
53
54
55
A
V
I
D
d
i
r
ec
t
o
r
-
M
2
M
™
T
ec
hn
i
c
a
l
R
e
f
e
r
e
n
c
e
G
u
i
d
e
F
eb
r
ua
ry
5
,
200
9
©
A
V
I
D
wi
re
l
ess
2004
-
2009
A
ll
R
i
g
h
t
s
Reserved
P
age
33
o
f
55
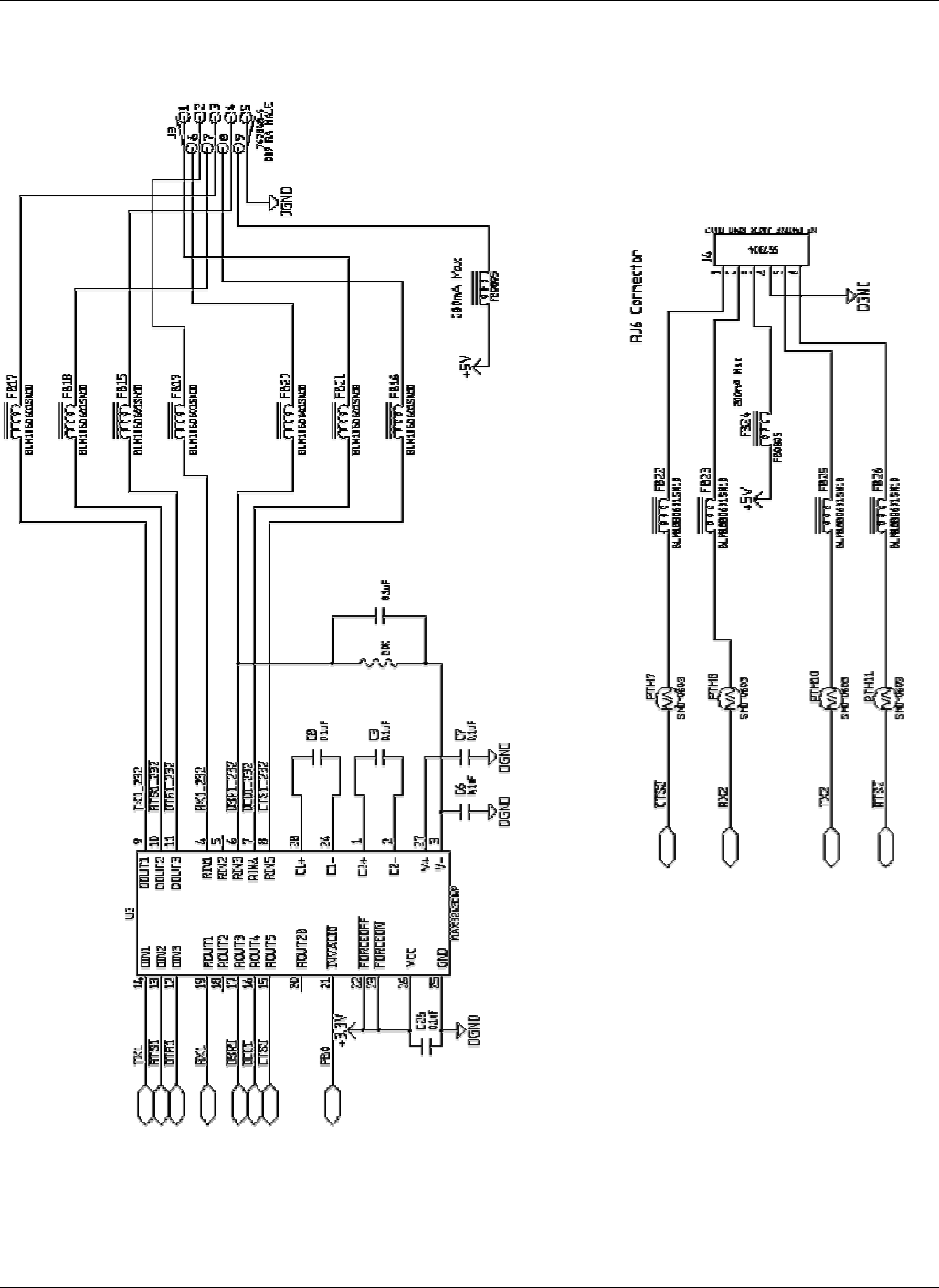
F
i
gu
re
6
.
S
er
i
a
l
I
/
O
I
n
t
er
f
ace
C
i
rc
ui
t
ry
1
2
...
28
29
30
31
32
33
34
35
36
37
38
...
54
55
AVIDdirector-M2M
1
Table of Contents
2
Overview
3
Features
3
Hardware Design
5
SetConfiguration portal
16
The Configuration files
20
M2MApp.ini.default
21
200) Pin and I/O Definitions
29
Debug / Expansion Connector
30
Radio Connector
31
Reset Button
46
Expansion I/O Connector
50
TTL20
53
Komentarze do niniejszej Instrukcji
Brak uwag
Publish
Powiązane produkty i podręczniki dla Serwery Multitech MT800SWM
Serwery Multitech MA420 Dokumentacja
(186 strony)
Serwery Multitech MTS2WFA-R Instrukcja Użytkownika
(38 strony)
Serwery Multitech FaxFinder V.34 Fax Servers FF Model Series Instrukcja Użytkownika
(12 strony)
Serwery Multitech TA410 Instrukcja Użytkownika
(2 strony)
Serwery Multitech ISI5634UPCI/4 Podręcznik Użytkownika
(42 strony)
Drukuj dokument
Drukuj stronę 33
Komentarze do niniejszej Instrukcji